-
كريسترأردت أن أستغرق لحظة لأقول كم أنا معجب بنتائج أهداف الليزر حتى الآن. انتباهك للتفاصيل يظهر حقا، ومن المثير أن نرى هذا يأتي معا جيدا. شكراً لكم على عملكم وجهودكم! لا أستطيع الانتظار لرؤية النتيجة النهائية! -
كريسرائع شكراً جزيلاً على تفاعل العملاء الرائع أتمنى أن تتبع المزيد من الشركات خطواتك وتتفاعل مع عملائها -
(يو)لقد تلقيت المشهد الهولوجرافي يعمل حالياً أنا أجرب المشهد ويبدو أنه يعمل جيداً كما هو مبينلقد لاحظت بعض البقع أو بصمات الأصابع على العدساتهناك بعض الأشياء الطفيفة التي يمكن تغييرها أو تحسينها -
ريانشكراً لك دقة و معاييرها تلبي توقعاتي تماماً أقدّر توصيتك المهنية حقاً -
توماسيجب أن أقول أن نظرتك الهولوجرافية مذهلة حقاً... يمكنها بالتأكيد أن تنافس EOTECH!
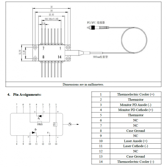
1030 نانومتر 200 ميلي واط صمام ثنائي ليزر أحادي الوضع في حزمة فراشة مع TEC ومشغل اختياري
اتصل بي للحصول على عينات مجانية وكوبونات.
ال WhatsApp:0086 18588475571
wechat: 0086 18588475571
سكايب: sales10@aixton.com
إذا كان لديك أي قلق ، فنحن نقدم مساعدة عبر الإنترنت على مدار 24 ساعة.
x| اسم المنتج | حزمة الفراشة DFB وحدة الصمام الثنائي الليزري المقترنة بالألياف | الطول الموجي | 1030 نانومتر |
|---|---|---|---|
| طاقة الإخراج | 200.0 ميجاوات | وضع الليزر | CW |
| جهد الإدخال | 5.0 فولت تيار مستمر | موصل | فك/بيسي، فك/APC، SMA905 |
| نوع الألياف | PM980 | عمر | 10000 ساعة |
| إبراز | صمام ثنائي ليزر أحادي الوضع بطول موجي 1030 نانومتر,ليزر حزمة فراشة بقدرة 200 ميلي واط,وحدة ليزر ألياف مع TEC,200 mW butterfly package laser,fiber laser module with TEC |
||
1030 nm 200 mW PM1030 الحزمة الفراشة لديود الليزر ذات الوضع الواحد مع TEC والسائق الاختياري
وصف المنتج
...ثنائي الليزر AMLD سلسلة 1030 nmهو ليزر ذو أداء عال من وضع واحد مصمم لتطبيقات دقة.شريحة البئر الكمية المتعددة (MQW)فيحزمة الفراشة ذات الأربعة عشر دبوس مغلقة بشكل مغلق، متكاملة معالمبرد الحراري (TEC),الحرارة,ثنائي الضوء في الشاشة، وعازل بصري، وضمانإنتاج مستقر ، عرض خط ضيق ، وموثوقية طويلة الأجل.
الديود الليزر هوالألياف المرتبطة بألياف PM980 الحافظة على الاستقطابويدعممحرك ليزر اختياري مع جهاز تحكم درجة الحرارةالسائق يقدمالتحكم الدقيق في التيار والحرارةمن خلالواجهة RS-232وبرنامج تحكم مخصص، مما يسمح بالرصد الخارجي، والعمل المستقر في التيار الثابت، وإدارة درجة الحرارة عالية الدقة.
هذا النظام الليزر مثاليتجارب المختبرات، اختبار الألياف البصرية، التطبيقات الصناعية، وأي عملية تتطلبالاستقرار العالي والأداء المتكرر.
المواصفات
|
البنود |
المواصفات |
|
رقم الطراز |
DFB حزمة الفراشة وحدة ثنائي الليزر المرتبطة بالألياف |
|
طول الموجة |
1030±2nm |
|
الطاقة الخارجة |
200 ميجاوات |
|
وضع الليزر |
CW |
|
نسبة قمع الوضع الجانبي |
50 ديسيبل |
|
نسبة انقراض الاستقطاب |
≥18dB |
|
الجهد التشغيلي |
5.0V/3A |
|
الضوضاء النسبية |
≤-140dB/Hz |
|
نوع الألياف |
PM980 |
|
درجة حرارة العمل |
-20°C إلى 70°C |
|
الأبعاد |
30×12ملم |
|
طول الألياف |
1 متر |
|
المرفق |
FC/PC، FC/APC، SMA905 |
|
وقت الحياة |
10000 ساعة |
الخصائص
● عالية الأداءخروج الوضع الواحدمع عرض خط ضيق
●التشغيل المستقر والموثوق بهفي ظل درجات حرارة و ظروف بيئية مختلفة
●متكاملةTEC، الحرارة، ومراقبة الصورللسيطرة الدقيقة
●مزدوجة بالأليافتصميم سهل التكامل في الأنظمة البصرية
●محرك ليزر اختياري ومراقب درجة الحرارة
التطبيقات
تستخدم وحدات ثنائي الديود الليزري المرتبطة بالألياف DFB Butterfly Package 1030nm مع TEC و Driver اختياري في:
● البحوث العلمية:مثالية للتداخلات، والطيافات، وتجارب الليزر المختبرية التي تتطلب عرض خط ضيق ومخرج ثابت.
●ضخ مكبرات الألياف:مناسبة لضخ EDFAs و SOAs في تضخيم الإشارة البصرية واختبارها.
●استشعار الألياف:تستخدم في أجهزة استشعار FBG وأنظمة استشعار الألياف الموزعة (DTS / DAS).
●التصنيع الصناعي والليزر:قابلة للتطبيق للقياس الدقيق والمعايرة والأجهزة البصرية.
●الاتصالات والشبكات البصرية:لتحقيق الموازنة والاختبار ونقل الإشارات في أنظمة الألياف البصرية.
شروط التجارة
1) الدفع: T / T ، PayPal ، Western Union ، الخ.
2) الشحن: فيدكس، دي إتش إل، يو بي إس الخ.
3) وقت التسليم: 5 - 20 يوما.
4) شروط الشحن: FOB شيان الصين
لماذا تختارنا
أأكثر من 20 عاماً من خبرة الليزر
بمنشأة واسعة النطاق 4500 متر مربع وأكثر من 180 موظف محترف.
جاستخدموا أجهزة التسجيل الأصلية من أريما، أوزرام، نيشيا، وما إلى ذلك لضمان الموثوقية.
دأنتجت في مصنع نظام الجودة ISO9001: 2008
Eالمنتج يتوافق مع معايير إدارة الأغذية والعقاقير والجنة الأوروبية.
Fإمكانيات قوية للتصميم والإنتاج، شركاء للعلامات التجارية الشهيرة.
![]()


